Skip to Content

Thermowells

Thermowells

Thermowells protect thermometers, thermocouples, RTD probes, and other sensors from pressure,  and corrosive, abrasive, or caustic process fluids. Protecting temperature sensors minimizes wear and increases longevity. It also reduces the risk of contamination and eliminates the need to shut down or drain processes when removing or replacing the sensor.

Industries that utilize thermowells include HVAC, petrochemical, oil and gas, food/beverage, power generation, and others involving high-pressure or corrosive process fluids.

Thermowells from Leading Manufacturers

Branom Instrument Co. provides thermowells and other temperature instrumentation to meet all your process monitoring needs. We are an authorized distributor and manufacturer rep. for leading instrumentation companies, including WIKA, and NOSHOK. Our team has extensive industry knowledge and uses their expertise to help customers find the best temperature instrumentation solution for their application.

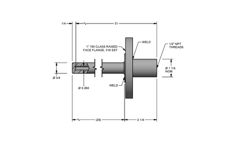
Thermowells come with different connector styles, including flanged, threaded, socket weld, and weld-in.

Selecting a style depends on your equipment and whether you plan to weld the device directly to the process or attach it to a pipe or nozzle.  When choosing a thermowell, you should consider material requirements, the required immersion length, and exposure to pressure or vibration.

Our inventory includes several thermowell styles including, but not limited to:

  • Straight Shank Thermowells
  • Stepped Shank Thermowells
  • Sanitary Thermowells

Learn More About Temperature Management Instrumentation

We offer a wide selection of thermowells and other instrumentation to ensure you find the right products for your application. Branom also offers repair, calibration, and other Technical Services to keep your temperature instrumentation in prime operating condition.

Contact us today to discuss the best thermowells to meet your requirements.

440.90 440.9 USD
MADE TO ORDER
603.76 603.76 USD
MADE TO ORDER
603.76 603.76 USD
MADE TO ORDER
603.76 603.76 USD
MADE TO ORDER
603.76 603.76 USD
MADE TO ORDER
603.76 603.76 USD
MADE TO ORDER
603.76 603.76 USD
MADE TO ORDER
Wika Instrument Lp
Wika Gayesco TC59 Thermocouple

TC59-T-ZZZZ-K1SC21CIME3-7FCZZN26Z-I060Z06200-Z#

4,523.00 4523.0 USD
MADE TO ORDER
Wika Instrument Lp
Wika Gayesco TC59 Thermocouple

TC59-T-ZZZZ-K1SC21CIME3-7FCZZN26Z-I060Z06000-Z#

4,383.00 4383.0 USD
MADE TO ORDER
Wika Instrument Lp
Wika Gayesco TC59 Thermocouple

TC59-T-ZZZZ-K1SC21CIME3-7FCZZN26Z-I060Z05000-Z#

3,833.00 3833.0 USD
MADE TO ORDER
Wika Instrument Lp
Wika Gayesco TC59 Thermocouple

TC59-T-ZZZZ-K1SC21CIME3-7FCZZN26Z-I060Z05600-Z#

4,179.16 4179.16 USD
MADE TO ORDER
2,063.90 2063.9 USD
MADE TO ORDER
64.33 64.33 USD
MADE TO ORDER
24.47 24.47 USD
MADE TO ORDER
Barksdale Inc Dba Dynalco Controls Corp
Barksdale Thermowell - Brass 1/2" NPT .688/.625

208129-B

225.53 225.53 USD
MADE TO ORDER
30.68 30.68 USD
MADE TO ORDER
281.59 281.59 USD
MADE TO ORDER
Watlow Electric Manufacturing Company
CONFIGURED THERMOWELL

2360-8767

 
MADE TO ORDER
Watlow Electric Manufacturing Company
CONFIGURED THERMOWELL

2360-8751

 
MADE TO ORDER
Dwyer Instruments Inc
6" SS thermowell

IW2-262

 
MADE TO ORDER
129.70 129.7 USD
MADE TO ORDER