Skip to Content
Representative photo. Please check item description for details.

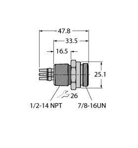
Turck PROFIBUS-PA Receptacle, Front Mount (RSFV 48)

https://www.branom.com/web/image/product.template/171598/image_1920?unique=c26756c
(0 review)
PROFIBUS-PA Receptacle Features
  • Front Mount
  • Male 7/8″ minifast Receptacle
  • 1/2’’14 NPT screw-in thread
  • Stainless steel receptacle housing
  • 4-pin
  • solderable
  • For use in PROFIBUS-PA applications

22.40 22.4 USD 22.40

22.40

Not Available For Sale

  • Measurement Maximum
  • Case Material
  • Measurement Minimum
  • Ingress Protection
  • Country of Origin

This combination does not exist.


Product Datasheets

Datasheet 1

PROFIBUS-PA Receptacle Features

  • Front Mount
  • Male 7/8″ minifast Receptacle
  • 1/2’’14 NPT screw-in thread
  • Stainless steel receptacle housing
  • 4-pin
  • solderable
  • For use in PROFIBUS-PA applications

Specifications

Measurement Maximum 0
Case Material 304 SS
Measurement Minimum 0
Ingress Protection IP67
Country of Origin US